
SiC MOSFET MODULE
PEB-800-40
HALF-BRIDGE MODULE
Key features
- 800V / 40A (rms) at 20 kHz
- Up to 200% overload for 500 ms
- Up to 200 kHz switching frequency
- Smart SOA protections
- DC voltage + AC current sensors
- DC bus stackable up to 1.6 kV
A VERSATILE SIC MOSFET BUILDING BLOCK
The PEB-800-40 is a fully-integrated SiC MOSFET module based on the half-bridge topology. Similarly to other imperix modules, it incorporates all the essential subsystems — including gate drive, cooling, measurement, protection, and discharge circuitry — to serve as a versatile building block for the rapid development of power electronics prototypes.
Thanks to this extensive integration and modular format, imperix power modules provide a nearly ready-to-use power stage, only requiring external control — e.g using the B-Box 4 controller — and inductive elements or filters to implement a complete power converter.
The PEB-800-40 offers a superior power rating across all operating points, superseding the PEB8038 in high-current applications and the PEB8024 in fast-switching converters by integrating the advantages of both predecessors.
- PEB8038 – 800V/38A – High-current
- PEB8024 – 800V/24A – Fast switching

- PEN8018 – 800V/18A – NPC phase-leg
- PEH2015 – 200V/15A – Full-bridge
- PEB4050 – 400V/50A – IGBT half-bridge
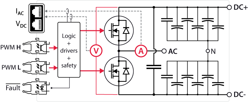
READY-TO-USE SIC MOSFET MODULE
EMBEDDED FUNCTIONALITIES

Each SiC MOSFET module embeds the following elements:
- 2x SiC MOSFET semiconductors
- Gate drivers with protection logic
- DC bus voltage and output (AC) current sensors
- DC link capacitors
- Fault output
- Cooling heatsink
Top view of the PEB-800-40 SiC Mosfet module. Hover to find out more.
A MODULAR APPROACH FOR BUILDING POWER CONVERTER PROTOTYPES
ASSEMBLE CONVERTERS IN NO TIME…
As most power converter topologies can be implemented using elementary half-bridges, a broad range of power converters can be built using only a few PEB-800-40 modules.
To streamline the assembly, the modules offer plug-&-play compatibility with imperix controllers, using RJ45 cables for the measurements, and plastic optical fibers (POF) for the PWM signals. Furthermore, imperix also provides auxiliary equipment, such as current and voltage sensors, inductors and filters, as well as rack-mounting equipment. Upon request, LF or MF transformers can also be provided.
… AND GET STARTED WITH FREE EXAMPLES
The knowledge base includes step-by-step guides for all sorts of converter topologies. Complementary applicative code examples are also provided to accelerate the implementation of the control algorithms.

SIC MOSFET MODULES DESIGNED FOR SAFE OPERATION

SMART SAFE OPERATING AREA PROTECTION
Rather than using fixed thresholds, the embedded logic continuously monitors the real-time operating point and computes the module’s Safe Operating Area (SOA) dynamically as a function of ased on the DC bus voltage, switching frequency, and average duty cycle. The protection thresholds are then adjusted in real time, guaranteeing safe and reliable operation even under non-nominal conditions.
OVERLOAD CAPABILITY
In addition to the SOA-based protection adjusting the long-term over-current threshold, an I²t-based over-current protection authorizes short-term overloads. This permits the SiC MOSFET module to draw up to twice its long-term rating for a duration of 500 milliseconds. Consequently, users can fully exploit the module’s inherent thermal inertia to design a more rapid and assertive transient response.


GALVANIC ISOLATION
The system incorporates galvanic isolation between the power and logic circuits, facilitating configurations such as a floating DC bus or a grounded DC+ or DC- terminal. Stacked DC bus configurations are also supported, potentially achieving a total voltage of 1600V (±800VDC) with appropriate enclosures and cabling.
EASILY MONITOR AND CONTROL SIC MOSFET MODULES

USE THE ON-BOARD MEASUREMENTS…
Due to their high dV/dt, SiC MOSFETs generate significant electromagnetic interference (EMI), which can compromise the fidelity of analog measurements. To mitigate this challenge, the on-board sensors have been engineered with robust electromagnetic immunity, thereby ensuring the delivery of unperturbed measurements to the control system.
Furthermore, when deployed in conjunction with a B-Box 4 controller, the system offers the capability to monitor the current ripple and diagnose potential sampling anomalies.
… OR EXTERNAL IMPERIX SENSORS
The integrated sensors offer readily available measurement of the DC link voltage and output current (AC or DC). In addition, imperix provides external sensors for applications demanding a higher measurement bandwidth or for acquiring other state variables.
A typical example is the AC mains voltage, which must generally be measured on the other side of a connection relay, guaranteeing grid synchronization before connection.


AUTO-IDENTIFICATION FROM B-BOX 4
With B-Box 4, sensor configuration is streamlined by the controller’s auto-identification capability. This feature automatically detects connected PEB-800-40 modules and verifies the setup against potential misconfiguration.
Furthermore, the B-Box 4 offers the option to utilize the factory-calibrated data stored on each power module, thereby preventing and eliminating measurement offset errors.
FOR USE WITH EXTERNAL CONTROLLERS
MADE FOR B-BOX 4
The B-Box 4 is the ideal digital control system for the PEB-800-40 SiC MOSFET modules. Directly plug-&-play with the modules, the B-Box 4 is capable of driving up to twelve half-bridges and provides the processing capacity required for complex control algorithms.
The B-Box 4’s oversampling capability enables users to observe the current ripple and Pulse Width Modulation (PWM) patterns. This functionality is used for verifying system operation and identifying potential sampling issues.

COMPATIBLE WITH GEN 3…
Despite the absence of oversampling and sensor auto-identification, the B-Box RCP3.0 and B-Box Micro retain full plug-and-play compatibility with the PEB-800-40 modules.
… AND THIRD-PARTY PRODUCTS
Alternatively, the PEB-800-40 SiC MOSFET modules are fully compatible with any third-party control platform. In such a configuration, end-users still retain the advantages of the inherent modularity and robust protective features.
APPLICATION EXAMPLES
As the foundational building blocks of power electronic systems, half-bridges are employed to construct a wide range of power converter topologies. Standard application scenarios incorporating SiC MOSFET modules encompass single-phase and three-phase inverters, alongside both isolated and non-isolated DC/DC converters.

Photovoltaic solar inverter
Single-phase inverter with boost, using:
- 1x B-Box 4 controller
- 3x PEB-800-40

Battery-powered motor drive
Interleaved boost with inverter, using:
- 1x B-Box 4 controller
- 5x PEB-800-40
ACCESSORIES AND OTHER MODULES
RACK-MOUNTING EQUIPMENT
SiC MOSFET power modules are best assembled within rack-mountable frames or enclosures. This guarantees the highest flexibility, thanks to the modular nature of the power converter modules.

Rack-mountable enclosure (3U)
PEB modules can be mounted within open rack-mountable frames. As such, modules remain easily accessible and can be easily put in (or taken out) of the chassis.

Rack-mountable enclosure (4U)
Imperix power modules can also be placed within enclosures that make use of 4mm laboratory safety plugs. This guarantees that no dangerous voltage can ever be reached.

Inductors and passive filters (4U)
For those interested in having a first configuration that is fully ready-to-use, imperix offers a standard box with inductors and LC filters. Components have reasonable, but fixed values.
ALTERNATIVES TO SIC MOSFET MODULES

PEB4050
- 400 V / 50 A
- Half bridge topology
The PEB4050 modules use Silicon IGBTs. They offer the highest current ratings among imperix power modules.

PEH2015
- 200 V / 15 A
- Full bridge topology
The PEH2015 modules use Silicon IGBTs. Their reduced DC voltage makes them preferred for multilevel applications.

PEN8018
- 800 V / 18 A
- NPC phase-leg topology
The PEN8018 modules are intended for 3L NPC topologies. They each rely on Silicon IGBTs and diodes for their switching cell.

